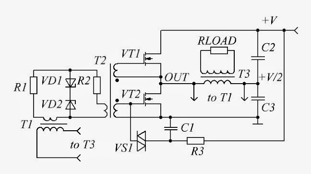
Попробую упростить схему самовозбуждающегося преобразователя до предела. То есть, уберу из неё все вспомогательные элементы. Скорее всего, как надо схема без них работать не будет, но они только мешают восприятию принципа действия преобразователя. Оставил только те элементы, которые определяют функционирование схемы, без которых она не будет работать вообще и которые задают параметры генерации. Ну и, заодно, при рисовании использовал другую программу. В ней гораздо удобнее рисовать принципиальные схемы, удобно задавать толщину линий, удобно делать надписи нужным шрифтом.
Посмотрим, как здесь будут выглядеть эти схемы:
Посмотрим, как здесь будут выглядеть эти схемы:
По-моему, выглядит поинтереснее, чем схема, нарисованная в Eagle. Более контрастно, чётко и более удобно её рисовать.
А описывать её и приводить осциллограммы буду завтра. Сегодня пораньше лягу спать.
Комментариев нет:
Отправить комментарий